Angel Chandelier

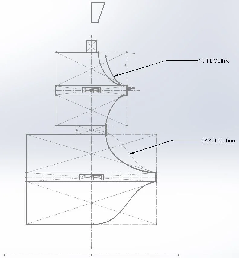
Chandelier made from custom aluminum spinnings, cast bronze cherubs, and rolled and welded rings of brass and steel – over 1,000 components in total.

Started out as one complete assembly, but had to be disassembled to fit through client’s double doors. Required redesign of internal assembly and installation instructions.

Final Assembly (Photo Credit: Remains Lighting)


Final SolidWorks model

Previous
Previous

Library Pendant

Next
Next

Austin Resort Lighting Project